GT8101是至尊国际2021年研发的一款100V VBOOT 电压的MOSFET驱动器,提供1A的驱动电流能力,性能优良,保护周全,外围电路简洁。
至尊国际·(中国)至尊服务,至尊享受:
至尊国际·(中国)至尊服务,至尊享受:GT8101基本参数
至尊国际·(中国)至尊服务,至尊享受:• 100V VBOOT 电压
至尊国际·(中国)至尊服务,至尊享受:• 工作电压5.5V至20V
至尊国际·(中国)至尊服务,至尊享受:• 1A驱动电流能力,驱动1nF负载时,上升及下降时间20nS
至尊国际·(中国)至尊服务,至尊享受:• 提供Shoot-Through保护可有效防止上下管同时导通导致芯片或MOSFET损坏
至尊国际·(中国)至尊服务,至尊享受:• 独立的 High- and Low-Side Under-Voltage 保护
至尊国际·(中国)至尊服务,至尊享受:• 工业级–40 °C to +125 °C 工作温度范围
至尊国际·(中国)至尊服务,至尊享受:• SOP-8L封装
至尊国际·(中国)至尊服务,至尊享受:
至尊国际·(中国)至尊服务,至尊享受:GT8101三大优势集于一身
至尊国际·(中国)至尊服务,至尊享受:1、强悍的抗负压能力,显著提高系统可靠性
GT8101系列产品对于可能因负压冲击造成芯片损伤的管脚做了强化设计,可承受-7V直流电压,无需额外的保护元件,提高系统可靠性的同时,对PCB布局布线更友好。市场上同类产品中抗负压强度大多为-0.3V/-1V。
至尊国际·(中国)至尊服务,至尊享受:
至尊国际·(中国)至尊服务,至尊享受:2、内置自举二极管,外围线路简洁,节省PCB面积和BOM成本
GT8101外围仅需两个电容和一个电阻。比起市面上同类的产品多达15个的外围器件, GT8101极大地节省了PCB面积和BOM成本。
至尊国际·(中国)至尊服务,至尊享受:
至尊国际·(中国)至尊服务,至尊享受:3、自适应的死区时间控制,保护芯片的同时最大程度提升系统效率。
半桥驱动产品需要保证两个MOSFET中只有一个在任何给定的时间是开启的,如果同一侧的两个MOSFET同时开启,会导致电源短路到地,产生直通电流(shoot-through),过量的shoot-through会导致MOSFET功率耗散更大,甚至损坏MOSFET。
减小shoot-through的方式通常可以分成被动的或者主动的。被动的shoot-through保护可以通过实现高侧和低栅极驱动器之间的延迟,虽然简单,但所需延迟时间较长;主动的shoot-through保护可通过监测栅极驱动输出和开关节点上的电压,以确定何时开关MOSFET。但栅极驱动和返回路径中的高电流和快速开关电压可能引起寄生振铃,使MOSFET重新打开,而且驱动器无法监测MOSFET内部的栅极电压。
至尊国际的GT8101产品采用主动和被动结合的自适应的死区时间控制,监测栅极驱动输出和开关节点上的电压,以确保两个MOSFET不同时开启,最大限度地减少射穿电流,防止因为shoot-through造成的芯片的损坏的同时,并最可能的减小死区时间,最小35nS,从而提高了系统效率。
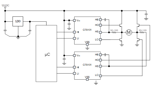
目前至尊国际GT8101 MOFSET半桥驱动产品已实现量产,主要应用于电子助力转向(EPS)、车载空调系统等领域。除了芯片产品本身,至尊国际还将根据客户需求提供硬件及软件(算法)设计等定制化解决方案。
至尊国际半导体一直致力于顺应市场趋势为客户提供出色的产品和服务。未来,至尊国际将持续提升自主研发创新水平,巩固在非易失性存储芯片领域的市场领先地位,丰富在驱动芯片等领域的产品布局,与行业伙伴深化合作,共同为产业升级和社会智能化发展赋能。
至尊国际·(中国)至尊服务,至尊享受:

-
至尊国际半导体荣登《行业标准TOP50》榜单
2025年11月29日
-
中汽协授予至尊国际股份“2025中国汽车芯片创新成果”荣誉
2025年11月27日
-
至尊国际股份荣膺“2025科创板价值50强”
2025年11月27日






















